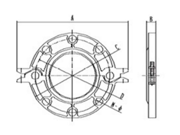
Content
| Nominal Size | Pipe OD. | Dimensions | Bolt / Nut | ||||
| mm/in | mm/in | A mm/in | B mm/in | C mm/in | D mm/in | E mm/in | No.-Size mm |
| 40 / 1 1/2 | 48.3 / 1.9 | 195 / 7.68 | 18.5 / 0.73 | 150 / 5.9 | 110 / 4.33 | 45.4 / 1.78 | 4-Φ16 |
| 50 / 2 | 60.3 / 2.375 | 220 / 8.66 | 18.5 / 0.73 | 165 / 6.5 | 125 / 4.92 | 57.5 / 2.26 | 4-Φ16 |
| 65 / 2 1/2 | 76.1 / 3 | 235 / 9.25 | 18.5 / 0.73 | 185 / 7.28 | 145 / 5.71 | 72.7 / 2.86 | 4-Φ16 |
| 80 / 3 | 88.9 / 3.5 | 255 / 10.04 | 18.5 / 0.73 | 195 / 7.68 | 160 / 6.3 | 85.5 / 3.37 | 8-Φ16 |
| 100 / 4 | 108 / 4.25 | 279 / 10.98 | 18.5 / 0.73 | 220 / 8.66 | 180 / 7.09 | 104.5 / 4.11 | 8-Φ16 |
| 100 / 4 | 114.3 / 4.5 | 279 10.98 | 18.5 0.73 | 224 8.82 | 180 7.09 | 110.5 4.35 | 8-Φ16 |
| 125 5 | 133 5.25 | 312 12.28 | 21.5 0.85 | 250 9.84 | 210 8.27 | 129.2 5.08 | 8-Φ 16 |
| 125 5 | 139.7 5.5 | 320 12.6 | 23 0.91 | 250 9.84 | 210 8.27 | 135.5 5.33 | 8-Φ 16 |
| 150 6 | 159 6.25 | 346 13.62 | 21.5 0.85 | 280 11 | 240 9.45 | 154.8 6.1 | 8-Φ20 |
| 150 6 | 165.1 | 346 13.62 | 21.5 0.85 | 280 11 | 240 9.45 | 160.8 6.33 | 8-Φ20 |
| 6.5 | |||||||
| 150 6 | 168.3 6.625 | 346 13.62 | 24 0.94 | 280 11 | 240 9.45 | 164.3 6.47 | 8-Φ20 |
| 200 8 | 219.1 8.625 | 414.3 16.31 | 30 1.18 | 340 13.39 | 295 11.61 | 214.9 8.46 | 12-Φ20 |
| 250 10 | 273 10.75 | 480 18.9 | 25.5 1.00 | 405 15.94 | 355 13.98 | 268.9 10.59 | 12-Φ24 |
| 300 12 | 323.9 12.75 | 530.5 20.88 | 25.5 1 | 460 18.11 | 410 16.14 | 318.9 12.56 | 12-Φ24 |




