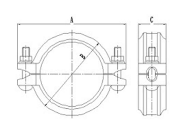
| Nominal Size | Pipe OD | Dimensions | Bolt Size | ||
| mm/in | mm/in | mm/in | No.-Size mm | ||
| A mm/in | B mm/in | C mm/in | |||
| 25/1 | 33.7/1.327 | 58/2.28 | 98/3.85 | 45/1.77 | 3/8*45-2 |
| 32/(1 1/4) | 42.4/1.669 | 68/2.68 | 106/4.17 | 45/1.77 | 3/8*45-2 |
| 40/(1 1/2) | 48.3/1.9 | 74/2.91 | 114/4.49 | 45/1.77 | 3/8*45-2 |
| 50/2 | 60.3/2.375 | 86/3.39 | 128/5.04 | 45/1.77 | 3/8*55-2 |
| 65/(1 1/2) | 73/2.875 | 98/3.86 | 137/5.39 | 45/1.77 | 3/8*55-2 |
| 65/(1 1/2) | 76.1/3 | 98/3.86 | 141/5.55 | 45/1.77 | 3/8*55-2 |
| 80/3 | 88.9/3.5 | 112/4.41 | 155/6.10 | 45/1.77 | 3/8*55-2 |
| 100/4 | 108/4.25 | 140/5.51 | 189/7.44 | 50/1.96 | 1/2*65-2 |
| 100/4 | 114.3/4.5 | 140/5.51 | 192/7.56 | 50/1.96 | 1/2*65-2 |
| 125/5 | 133/5.25 | 164/6.46 | 216/8.5 | 50/1.96 | 1/2*75-2 |
| 125/5 | 139.7/5.5 | 166/6.54 | 217/8.54 | 50/1.96 | 1/2*75-2 |
| 125/5 | 141.3/5.563 | 173/6.81 | 225/8.86 | 50/1.96 | 1/2*75-2 |
| 150/6 | 159/6.25 | 193/7.59 | 246/9.69 | 50/1.96 | 1/2*75-2 |
| 150/6 | 165.1/6.5 | 199/7.83 | 252/9.92 | 50/1.96 | 1/2*75-2 |
| 150/6 | 168.3/6.625 | 197/7.76 | 244/9.61 | 48/1.89 | 1/2*75-2 |
| 200/8 | 219.1/8.625 | 255/10.04 | 322/12.67 | 58/2.28 | 5/8*95-2 |
| 250/10 | 273/10.75 | 318/12.51 | 400/15.74 | 62/2.44 | 3/4*110-2 |
| 300/12 | 323.9/12.75 | 372/14.64 | 454/17.87 | 64/2.51 | 3/4*120-2 |
Grooved Rigid Coupling
Grooved rigid coupling is a pipe fitting used to connect two pipes or equipment in various applications. It offers easy and fast installation without the need for any special tools or skills.
Features
The grooved rigid coupling allows for flexible and quick installation without the use of special tools.
High flexibility: the use of grooved couplings provides flexibility in piping systems, allowing for angular and axial movement between connected pipes or equipment.
Strong versatility: the ductile iron grooved fittings is suitable for connecting pipes made of different materials, including steel, copper, plastic, and stainless steel.
Recommended Applications
Grooved rigid coupling is widely used in various piping systems made of different materials, such as water supply, drainage, HVAC, and other systems requiring pipe connections.




-
Available sizes: 1~12 inch | DN25~DN300

-
Working pressure: 300PSI/2.07MPa

-
Certificate: FM/UL/CE certified

-
Coating: epoxy/galvanized

-
Color: red/orange/white, etc.

-
Material: ductile iron





