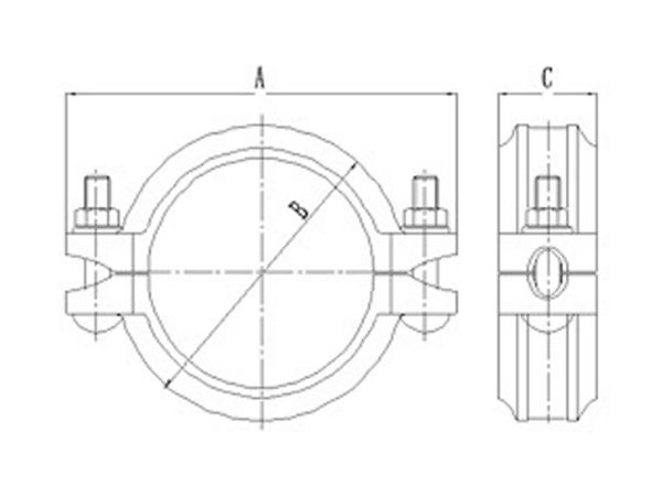
Content
| Nominal Size | Pipe OD | Dimensions | Bolt Size | ||
| mm/in | mm/in | mm/in | No.-Size mm | ||
| A mm | B mm | C mm | |||
| 25/1 | 33.7/1.327 | 58/2.28 | 98/3.85 | 45/1.77 | 3/8*45-2 |
| 32/(1 1/4) | 42.4/1.669 | 68/2.68 | 106/4.17 | 45/1.77 | 3/8*45-2 |
| 40/(1 1/2) | 48.3/1.9 | 74/2.91 | 114/4.49 | 45/1.77 | 3/8*45-2 |
| 50/2 | 60.3/2.375 | 86/3.39 | 126/4.96 | 45/1.77 | 3/8*55-2 |
| 65/(2 1/2) | 73/2.875 | 98/3.86 | 137/5.39 | 45/1.77 | 3/8*55-2 |
| 65/(2 1/2) | 76.1/3 | 98/3.86 | 140/5.51 | 45/1.77 | 3/8*55-2 |
| 80/3 | 88.9/3.5 | 111/4.37 | 158/6.22 | 45/1.77 | 3/8*55-2 |
| 100/4 | 108/4.25 | 130/5.11 | 180/7.09 | 49/1.93 | 1/2*65-2 |
| 100/4 | 114.3/4.5 | 141/5.55 | 186/7.32 | 49/1.93 | 1/2*65-2 |
| 125/5 | 133/5.25 | 164/6.46 | 216/8.5 | 50/1.96 | 1/2*75-2 |
| 125/5 | 139.7/5.5 | 168/6.61 | 222/8.74 | 50/1.96 | 1/2*75-2 |
| 125/5 | 141.3/5.563 | 172/6.77 | 222/8.74 | 50/1.96 | 1/2*75-2 |
| 150/6 | 159/6.25 | 190/7.48 | 236/9.29 | 50/1.96 | 1/2*75-2 |
| 150/6 | 165.1/6.5 | 196/7.71 | 244/9.61 | 50/1.96 | 1/2*75-2 |
| 150/6 | 168.3/6.625 | 197/7.76 | 244/9.61 | 50/1.96 | 1/2*75-2 |
| 200/8 | 219.1/8.625 | 251/9.88 | 318/12.52 | 58/2.28 | 5/8*95-2 |
| 250/10 | 273/10.75 | 318/12.51 | 386/15.20 | 60/2.36 | 3/4*110-2 |
| 300/12 | 323.9/12.75 | 372/14.64 | 454/17.87 | 64/2.51 | 3/4*120-2 |








