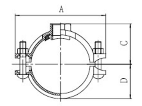
| Nominal Size | Pipe OD | Hole Dia | Dimensions | Bolt Size | |||
| mm/in | mm/in | Hole Cutting Measurement | mm/in | No.-Size / mm | |||
| A / mm | B / mm | C / mm | D / mm | ||||
| 50×15 / 2×1/4 | 60x21 / 2.375×0.827 | 38 / 1.5 | 118 / 4.64 | 74 / 2.91 | 55 / 2.17 | 40 / 1.57 | M10×55-2 |
| 50×20 / 2×3/4 | 60x27 / 2.375×1.063 | 38 / 1.5 | 118 / 4.64 | 74 / 2.91 | 60 / 2.36 | 40 / 1.57 | M10×55-2 |
| 50×25 / 2×1 | 60.3×33.7 / 2.375×1.315 | 38 / 1.5 | 118 / 4.64 | 74 / 2.91 | 60 / 2.36 | 40 / 1.57 | M10×55-2 |
| 50×32 / 2×1 1/4 | 60.3×42.4 / 2.375×1.660 | 45 1.77 | 118 / 4.64 | 74 / 2.91 | 60 / 2.36 | 40 / 1.57 | M10×55-2 |
| 50×40 / 2×1 1/2 | 60.3×48.3 / 2.375×1.900 | 45 / 1.77 | 118 / 4.64 | 74 / 2.91 | 60 / 2.36 | 40 / 1.57 | M10×55-2 |
| 65×15 / 2 1/2×1/4 | 73x21 / 2.875×0.827 | 38 / 1.5 | 132 / 5.2 | 74 / 2.91 | 62 / 2.52 | 47 / 1.85 | M12×70-2 |
| 65×20 / 2 1/2×3/4 | 73x27 / 2.875×1.063 | 38 / 1.5 | 132 / 5.2 | 74 / 2.91 | 62 / 2.52 | 47 / 1.85 | M12×70-2 |
| 65×25 / 2 1/2×1 | 73×33.7 / 2.875×1.315 | 38 / 1.5 | 132 / 5.2 | 74 / 2.91 | 64 / 2.52 | 47 / 1.85 | M12×70-2 |
| 65×32 / 2 1/2×1 1/4 | 73×42.4 / 2.875×1.660 | 51 / 2.01 | 132 / 5.2 | 82 / 3.23 | 64 / 2.52 | 47 / 1.85 | M12×70-2 |
| 65×40 / 2 1/2×1 1/2 | 73×48.3 / 2.875×1.900 | 51 / 2.01 | 132 / 5.2 | 82 / 3.23 | 64 / 2.52 | 47 / 1.85 | M12×70-2 |
| 65×50 / 2 1/2×2 | 73x60 / 2.875×2.375 | 51 / 2.01 | 132 / 5.2 | 84 / 3.23 | 75 / 2.95 | 47 / 1.85 | M12×70-2 |
| 65×15 / 2 1/2×1/4 | 76x21 / 3.000×0.827 | 38 / 1.5 | 135 / 5.31 | 72 / 2.83 | 62 / 2.52 | 48 / 1.89 | M12×70-2 |
| 65×20 / 2 1/2×3/4 | 76x27 / 3.000×1.063 | 38 / 1.5 | 135 / 5.31 | 72 / 2.83 | 64 / 2.52 | 48 / 1.89 | M12×70-2 |
| 65×25 / 2 1/2×1 | 76.1×33.7 / 3.000×1.315 | 38 / 1.5 | 135 / 5.31 | 72 / 2.83 | 64 / 2.52 | 48 / 1.89 | M12×70-2 |
| 65×32 / 2 1/2×1 1/4 | 76.1×42.4 / 3.000×1.660 | 51 / 2.01 | 135 / 5.31 | 85 / 3.35 | 66 / 2.60 | 48 / 1.89 | M12×70-2 |
| 65×40 / 2 1/2×1 1/2 | 76.1×48.3 / 3.000×1.900 | 51 / 2.01 | 135 / 5.31 | 85 / 3.35 | 66 / 2.60 | 48 / 1.89 | M12×70-2 |
| 65×50 / 2 1/2×2 | 76x60 / 3.000×2.375 | 51 / 2.01 | 135 / 5.31 | 84 / 3.23 | 76 / 2.99 | 48 / 1.89 | M12×70-2 |
| 80×15 / 3×1/2 | 88.9×21.3 / 3.500×0.825 | 38 / 1.50 | 146 / 5.75 | 74 / 2.91 | 66 / 2.60 | 55 / 2.17 | M12×70-2 |
| 80×20 / 3×3/4 | 88.9×26.7 / 3.500×1.050 | 38 / 1.50 | 146 / 5.75 | 74 / 2.91 | 66 / 2.60 | 55 / 2.17 | M12×70-2 |
| 80×25 / 3×1 | 88.9×33.7 / 3.500×1.315 | 38 / 1.18 | 146 / 5.75 | 74 / 2.91 | 70 / 2.76 | 55 / 2.17 | M12×70-2 |
| 80×32 / 3×1 1/4 | 88.9×42.4 / 3.500×1.660 | 51 / 2.01 | 146 / 5.75 | 86 / 3.39 | 73 / 2.87 | 55 / 2.17 | M12×70-2 |
| 80×40 / 3×1/2 | 88.9×48.3 / 3.500×1.900 | 51 / 2.01 | 146 / 5.75 | 86 / 3.39 | 77 / 3.03 | 55 / 2.17 | M12×70-2 |
| 80x50 / 3x2 | 88 9 x 60.3 3.500 x 2.375 | 64 / 2.52 | 146 / 5.75 | 96 / 3.78 | 80 / 3.15 | 55 / 2.17 | M12x70-2 |
| 80x65 / 3x2 1/2 | 89x76 / 3.500 x 3.000 | 64 / 2.52 | 146 / 5.75 | 99 / 3.90 | 84 / 3.31 | 55 / 2.17 | M12×70-2 |
| 100x25 / 4x1 | 108x33.7 4.250x1.315 | 38 / 1.5 | 172 / 6.77 | 72 / 283 | 76 / 2.99 | 64 / 2.52 | M12x75-2 |
| 100x32 / 4x1 1/4 | 108.0x42.4 / 4.250x1.660 | 51 / 2.01 | 172 / 6.77 | 82 / 3.23 | 76 / 2.99 | 64 / 2.52 | M12x75-2 |
| 100x40 / 4x1 1/2 | 108.0x48.3 / 4.250x1.900 | 51 / 2.01 | 172 / 6.77 | 82 / 3.23 | 76 / 2.99 | 64 / 2.52 | M12x75-2 |
| 100x50 / 4x2 | 108.0x60.3 / 4.250x2.375 | 64 / 2.52 | 172 / 6.77 | 95 / 3.74 | 78 / 3.07 | 64 / 2.52 | M12x75-2 |
| 100x15 / 4x1/4 | 114x21 / 4.500x0.825 | 38 / 1.5 | 178 / 7.01 | 74 / 2.91 | 83 / 3.27 | 69 / 2.72 | M12x75-2 |
| 100x20 / 4x3/4 | 114x27 / 4.500x1.063 | 38 / 1.5 | 178 / 7.01 | 74 / 2.91 | 83 / 3.27 | 69 / 2.72 | M12x75-2 |
| 100x25 / 4x1 | 114.3x33.7 4.500x1.315 | 38 / 1.5 | 178 / 7.01 | 74 / 2.91 | 86 / 3.99 | 69 / 2.72 | M12x75-2 |
| 100x32 / 4x1 1/4 | 114.3x42.4 / 4.500x1.660 | 51 / 2.01 | 178 / 7.01 | 86 / 3.39 | 87 / 3,43 | 69 / 2.72 | M12x75-2 |
| 100x40 / 4 x1 1/2 | 114,3x48.3 4.500 X1.900 | 51 / 2.01 | 178 / 7.01 | 86 / 3.39 | 89 / 3.51 | 69 / 2.72 | M12x75-2 |
| 100x50 / 4x2 | 114.3x60.3 4.500x2.375 | 64 / 2.52 | 178 / 7.01 | 100 / 3.94 | 94 / 3.7 | 69 / 2.72 | M12x75-2 |
| 100x65 / 4x2 1/2 | 114.3x76.1 4500x3.000 | 70 / 2.76 | 178 / 7.01 | 106 / 4.17 | 100 / 3.94 | 69 / 2.72 | M12x75-2 |
| 100x80 / 4x3 | 114.3x88.9 4.500x3.500 | 89 / 3.5 | 178 / 7.01 | 124 / 4.88 | 99 / 3.9 | 69 / 2.72 | M12x75-2 |
| 125x25 / 5x1 | 133.0 x 33 7 5.250x1.315 | 38 / 1.5 | 200 / 7.87 | 74 / 2.91 | 95 / 3.74 | 77 / 3.03 | M16x85-2 |
| 125x32 / 5x1 1/4 | 133.0 x 42.4 5.250x1.660 | 51 / 2.01 | 200 / 7.87 | 86 / 3.39 | 95 / 3.74 | 77 / 3.03 | M16x85-2 |
| 125x40 / 5x1 1/2 | 133.0x48.3 5.250x1.900 | 51 / 2.01 | 200 / 7.87 | 86 / 3.39 | 95 / 3.74 | 77 / 3.03 | M16x85-2 |
| 125x50 / 5x2 | 133.0 x 60.3 5.250x2.375 | 64 / 2.52 | 200 / 7.87 | 100 / 3.94 | 104 / 4.09 | 77 / 3.03 | M16x85-2 |
| 125x25 / 5x1 | 139.7x33.7 5.503x1.315 | 38 / 1.5 | 213 / 8.39 | 74 / 2.91 | 98 / 3.86 | 81 / 3.19 | M16x85-2 |
| 125x32 / 5x1 1/4 | 139,7x42.4 5.500x1.660 | 51 / 2.01 | 213 / 8.39 | 86 / 3.39 | 99 / 3.9 | 81 / 3.19 | M16x85-2 |
| 125x40 / 5x1 1/2 | 139.7x48.3 5.500 x1.900 | 51 / 2.01 | 213 / 8.39 | 86 / 3.39 | 111 / 4.37 | 81 / 3.19 | M16x85-2 |
| 125x50 / 5x2 | 133.0 x 60.3 5.250x2.375 | 64 / 2.52 | 213 / 8.39 | 100 / 2.19 | 106 / 4.17 | 81 / 3.19 | M16x85-2 |
| 125x65 / 5x2 1/2 | 139.0 x 76.1 / 5.500x3.000 | 70 / 2.76 | 213 / 8.39 | 108 / 4.25 | 110 / 4.33 | 81 / 3.19 | M16x85-2 |
| 150x25 / 6x1 | 165.1x33.7 / 6.500x1.315 | 38 / 1.5 | 239 / 9.41 | 74 / 2.91 | 112 / 4.41 | 95 / 3.74 | M16x 105-2 |
| 150x32 / 6x1 1/4 | 165.1x42.4 / 6.500x1.660 | 51 / 2.01 | 239 / 9.41 | 86 / 3.39 | 113 / 4.45 | 95 / 3.74 | M16x 105-2 |
| 150x40 / 6x1 1/2 | 165.1x48.3 / 6.500x1.900 | 51 / 2.01 | 239 / 9.41 | 86 / 3.39 | 115 / 4.53 | 95 / 3.74 | M16x 105-2 |
| 150x50 / 6x2 | 165.1x60.3 / 6.500x2.375 | 64 / 2.52 | 239 / 9.41 | 100 / 3.94 | 120 / 4.72 | 95 / 3.74 | M16x 105-2 |
| 150x65 / 6x2 1/2 | 165.1x76.1 / 6.500x3.000 | 70 / 2.76 | 239 / 9.41 | 108 / 4.25 | 124 / 4.68 | 95 / 3.74 | M16x105-2 |
| 150x80 / 6x3 | 165.1x88.9 / 6.500x3.500 | 89 / 3.5 | 239 / 9.41 | 126 / 4.96 | 123 / 4.84 | 95 / 3.74 | M16x 105-2 |
| 150x25 / 6x1 | 168.3 x 33.7 / 6.625x1.315 | 38 / 1.5 | 255 / 10.04 | 74 / 2.91 | 115 / 4.53 | 96 / 3.78 | M16x105 2 |
| 150x32 / 6x1 1/4 | 168.3x42.4 / 6.625x1.660 | 51 / 2.01 | 255 / 10.04 | 88 / 3.64 | 115 / 4.53 | 96 / 3.78 | M16x 105-2 |
| 150x40 / 6x1 1/2 | 168.3 x 48.3 6.625x1.900 | 51 / 2.01 | 255 / 10.04 | 88 / 3.64 | 115 / 4.53 | 96 / 3.78 | M16x 105-2 |
| 150x50 / 6x2 | 168.3x60.3 6.625x2.375 | 64 / 2.52 | 255 / 10.04 | 102 / 4.02 | 120 / 4.72 | 96 / 3.78 | M16x 105-2 |
| 150x65 / 6x2 1/2 | 168.3 x 73 6.625x3.000 | 70 / 2.76 | 255 / 10.04 | 108 / 4.25 | 122 / 4.80 | 96 / 3.78 | M16x 105-2 |
| 150x80 / 6x3 | 168.3 x 88.9 / 6.625x3.500 | 89 / 3.5 | 255 / 10.04 | 124 / 4.88 | 122 / 4.80 | 96 / 3.78 | M16x 105-2 |
| 200x25 / 8x1 | 219.1 x 33.7 / 8.625x3.315 | 38 / 1.5 | 310 / 12.21 | 73 / 2.87 | 135.5 / 5.35 | 115 / 4.53 | M20x 115-2 |
| 200x32 / 8x1 1/4 | 219.1 x42.4 / 8.625x1.660 | 51 / 2.01 | 310 / 12.21 | 82 / 3.23 | 135.5 / 5.35 | 115 / 4.53 | M20x 115-2 |
| 200x40 / 8x1 1/2 | 219.1 x48.3 / 8.625x1.900 | 51 / 2.01 | 310 / 12.21 | 86 / 3.39 | 135.5 / 5.35 | 115 / 4.53 | M20x 115-2 |
| 200x50 / 8x2 | 219.1 x 33.7 / 8.625x2.375 | 38 / 1.5 | 310 / 12.21 | 97 / 3.82 | 138 / 5.43 | 115 / 4.53 | M20x 115-2 |
| 200x65 / 8x2 1/2 | 219.1 x76.1 / 8.625x3.000 | 70 / 2.76 | 310 / 12.21 | 115 / 4.53 | 138 / 5.43 | 115 / 4.53 | M20x 115-2 |
Mechanical Tee Threaded Outlet
Mechanical tees threaded outlet consist of upper and lower housings, a gasket, and bolts/nuts, providing a simple and fast method for branch connection. The self-sealing structure of the gasket ensures permanent sealing. During field operations, mechanical tees can be tightly installed on the pipeline to ensure the accuracy of the branch outlet connection.
Features
Mechanical tees threaded outlet provides an additional threaded outlet in existing piping.
For new construction, the mechanical tee provides a way to bypass the use of a reducing tee.
The mechanical tee may be easily converted into a cross when necessary.
Recommended Applications
Mechanical tees threaded outlet is suitable for piping systems, such as fire protection piping and sprinkler piping systems.




Send Inquiry
Key Specifications
-
Available sizes: 2×1 inch~10×4 inch |DN50×25~DN250×65

-
Working pressure: 300PSI/2.07MPa

-
Certificate: FM/UL/CE certified

-
Coating: epoxy/galvanized

-
Material: ductile iron

Content
